
Parque Eólico Junquillos
Cliente: Colbún
Mulchén, Región del Biobío
Periodo: 2024-2025
Parque Eólico Junquillos
Proyectos sanitarios, redes hidráulicas y vialidad.
Presentación del proyecto
El Parque Eólico Junquillos, desarrollado por Colbún S.A., se propone emplazar al noreste de la comuna de Mulchén, en la Región del Biobío. El proyecto contempla una capacidad instalada prevista de aproximadamente 473 MW, lo que equivale a abastecer a cerca de 157 000 viviendas o un consumo para 455 000 personas, generando un promedio estimado de 1 030 GWh/año
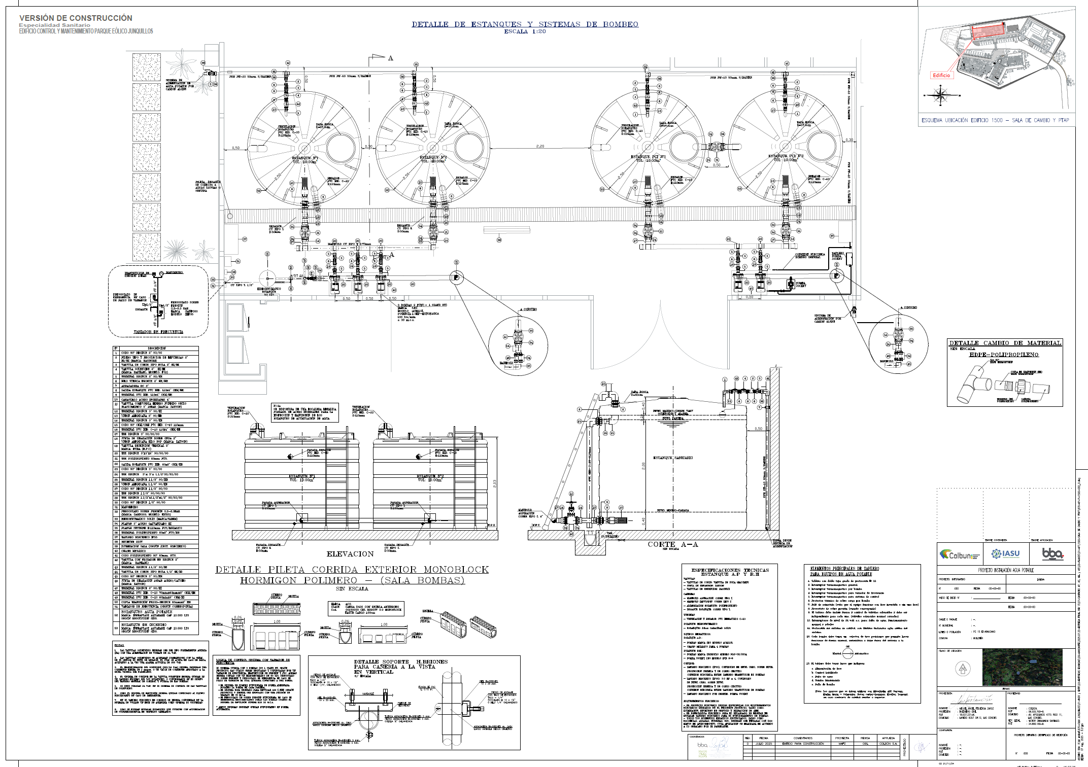
Se desarrolló la ingeniería sanitaria y vial del proyecto, abordando de forma integral el diseño de los sistemas de agua potable, aguas servidas, aguas lluvias y red contra incendios, conforme a la normativa vigente y a los requerimientos operativos del edificio de control y mantenimiento del parque.
Con un enfoque sustentable e innovador, se incorporó un sistema de reutilización de aguas grises y aguas lluvias captadas desde cubiertas, permitiendo el abastecimiento de agua para riego y la recarga de artefactos sanitarios como urinarios y WC, optimizando así el uso del recurso hídrico.
Adicionalmente, se desarrolló la ingeniería vial del proyecto, incluyendo el diseño de la plataforma de emplazamiento, la vialidad interior y el sistema de saneamiento de aguas lluvias asociado, asegurando la funcionalidad y la correcta evacuación de escorrentías en el área de intervención.
Nuestros Proyectos
Todo proyecto comienza con una conversación














